| Passwort vergessen?
Sie sind nicht angemeldet. |  Anmelden

Sprache auswählen:

Wumpus Gollum Forum von
Wumpus Welt der (alten) Radios
Sie sind nicht angemeldet.
 Anmelden

So stelle ich mir einen modernisierten analogen LW-MW-Rundfunk vor
  •  
 1
 1
02.01.16 21:35
Herrmann 

500 und mehr Punkte

02.01.16 21:35
Herrmann 

500 und mehr Punkte

So stelle ich mir einen modernisierten analogen LW-MW-Rundfunk vor

Hallo zusammen,

Zunächst erstmal ein gesundes neues Jahr an alle.
Meine Ideen (so nutzlos sie auch sein mögen wegen des einsamen Rufens in der Wüste) habe ich soweit fertig entworfen und möchte sie hier zusammenfassend präsentieren.

Ich habe versucht, einen Kompromiß zu finden zwischen zeitgemäßen Ansprüchen an die Tonqualität, Einfachheit des Empfängers, Bandbreitenökonomie und Energieeffizienz des Sendens und begleitenden Zusatzfeatures in Digitaltechnik.
Ich kam zu dem Schluß, daß eine direkte Kompatibilität mit alten Radios aufgrund des Zielkonflikts leider aufgegeben werden muß, eine einfache Nachrüstung alter Superhets mit einer analogen Zusatzstufe und einem Quarz die Kompatibilität zum analogen Bestandteil des Signals aber wieder voll herstellt.

Stichpunkte:

- Belegung von 2 bisherigen AM-Kanälen (18kHz)
- SSB mit 12,47kHz Audio-Bandbreite (erreicht nahezu die alte Hifi-Norm)
- reduzierter Träger, Kompromiß zwischen Energieeffizienz und Aufwand im Empfänger
- extreme Dynamik-Kompression mit senderseitig hohem Aufwand (Algoritmus, intelligente Signalanalyse), empfängerseitig geringer Aufwand durch dem Träger aufmoduliertes Steuersignal für den Expander. Dadurch wird das Audio-Seitenband praktisch mit konstanter Leistung gesendet
- universelles Digital-Band (4kHz) für Texte, Grafiken, EPG (elektronisches Programmheft) und/oder ein DRM-basierendes Stereo-Differenzsignal. Die Lästigkeit von digitalen Audio-Aussetzern wird stark reduziert, weil lediglich ein Stereo-Mono-Wechsel stattfindet. Marketingtechnisch ist das Prädikat "Stereo" sehr wichtig.

Hier das Spektrum:


Hier eine Einfachst-Empfängerschaltung mit einer Doppeltriode, die wegen ständigem Hz-genauen Nachstimmens des BCOs leider einen schlechten Bedienkomfort liefert. Ein frommer Wunsch ist, daß der Oszillator durch geschickte Einstellung auf den schwachen Träger "einrastet". Oszillator und Anodenbasis-Eingangsstufe sind über die Anodenströme gegenseitig verkoppelt. Der Träger soll so stark wiederhergestellt werden, daß eine SSB+Träger mit weniger als 50% Modulationsgrad entsteht, welche sich verzerrungsarm mit dem Detektor demodulieren läßt.


Das Blockschaltbild eines nachgerüsteten alten Supers folgt.

Gruß
Herrmann

Datei-Anhänge
Spektrum.png Spektrum.png (310x)

Mime-Type: image/png, 11 kB

SSB-Einfachstempfänger.png SSB-Einfachstempfänger.png (310x)

Mime-Type: image/png, 6 kB

regency und wumpus gefällt der Beitrag.
!
!!! Fotos, Grafiken nur über die Upload-Option des Forums, KEINE FREMD-LINKS auf externe Fotos.    

!!! Keine Komplett-Schaltbilder, keine Fotos, keine Grafiken, auf denen Urheberrechte Anderer (auch WEB-Seiten oder Foren) liegen!
Solche Uploads werden wegen der Rechtslage kommentarlos gelöscht!

Keine Fotos, auf denen Personen erkennbar sind, ohne deren schriftliche Zustimmung.

Den Beitrag-Betreff bei Antworten auf Threads nicht verändern!
02.01.16 22:09
RFTHeinz 

500 und mehr Punkte

02.01.16 22:09
RFTHeinz 

500 und mehr Punkte

Re: So stelle ich mir einen modernisierten (analogen) Rundfunk vor

Ich empfände das Aufsetzen eines vollständigen Digitalsignals bei gleichzeitiger Rückwärtskompatiblität für Analogempfänger als einzig gangbaren und noch erfolgversprechensten Weg. Aber das wird hier nicht funktionieren und funktioniert in den USA seit Jahren mit dem IBOC-System nicht. Analog = zu Gut + erprobt.

Vielleicht ist es bei DAB+ schon mit einem 3-Punkte-Plan getan?

1. Datenrate bei allen (!) Kanälen hoch -> CD Qualität
2. Sendeleistung hoch
3. Radios bauen, keine Brüllwürfel.




Heinz

Zuletzt bearbeitet am 02.01.16 22:52

02.01.16 22:28
Herrmann 

500 und mehr Punkte

02.01.16 22:28
Herrmann 

500 und mehr Punkte

Re: So stelle ich mir einen modernisierten analogen LW-MW-Rundfunk vor

Hallo Heinz,

die Abwärtskompatibilität des von mir gezeigten Systems kann hergestellt werden, indem der Träger um den Faktor 4 stärker gesendet wird. Bei gegebener Gesamt-Sendeleistung sinkt entsprechend der Spektralanteil, der die Informationen enthält, und damit die störungsarme Reichweite.

Ich kann mir einen solchen Betrieb für eine Übergangszeit vorstellen, mit einer ständigen Informationsschleife, daß alte historisch wertvolle AM-Superhets mit einer Zusatzstufe für die kommende Betriebsart nachgerüstet werden können. Ein ausgewogener Kompromiß auf Dauer ist das nicht.

Gruß
Herrmann

03.01.16 19:27
Herrmann 

500 und mehr Punkte

03.01.16 19:27
Herrmann 

500 und mehr Punkte

Re: So stelle ich mir einen modernisierten analogen LW-MW-Rundfunk vor

Hallo zusammen,

hier wie angekündigt die SSB(mit abgeschwächt gesendetem Träger)-Ertüchtigung eines Standard-Superhets. Ich habe auf die Schnelle sogar einen passenden Keramik-Resonator im Handel gefunden, der den schwachen Träger einfangen soll. Durch eine Mitkopplung werden die Flankensteilheit und Schmalbandigkeit der Träger-Fang-Stufe sogar noch verbessert.

Die Durchlaßkurve des ZF-Verstärkers ist neu abzugleichen von 465kHz bis ca. 475kHz.

Der Schwundregelkreis wird vom neu hinzugekommenen Regelspannungs-Demodulator übernommen, welcher auch eine bescheidene Dynamik-Expansion vornimmt.



Gruß
Herrmann

Datei-Anhänge
SSB-Röhrensuper.png SSB-Röhrensuper.png (295x)

Mime-Type: image/png, 11 kB

08.01.16 20:47
Herrmann 

500 und mehr Punkte

08.01.16 20:47
Herrmann 

500 und mehr Punkte

Re: So stelle ich mir einen modernisierten analogen LW-MW-Rundfunk vor

Hallo zusammen,

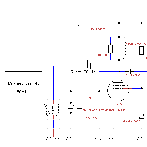
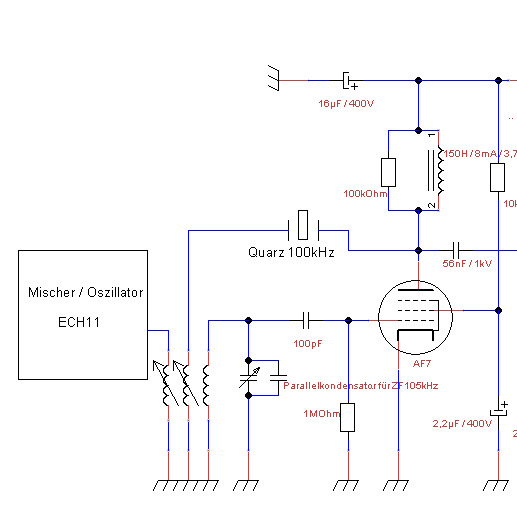
bei meinem 3. Vorschlag für einen SSB(+ abgeschwächten Träger)-tauglichen Empfänger geht es darum, Volksempfänger & Co SSB-tauglich zu machen.

Da es keine per Drehknopf verstellbaren Quarze gibt, muß das Geradeausprinzip aufgegeben werden und ein Super-Vorsatz muß her. Das Resultat ist ein Kleinsuper. Die ZF wird mit 105 kHz (Bandmitte) äußerst niedrig gewählt. Das hat 2 Gründe: 1.) Die absolute Bandbreite von Resonanzbaugruppen (auch Quarzen) wird mit sinkender Arbeitsfrequenz immer schmaler (genau das brauchen wir zum Einfangen eines schwachen Trägers) und 2.) 100kHz-Quarze sind im Handel billig verfügbar. Um den Eingangskreis auf diese Frequenz unterhalb des LW-Bereiches zu bringen, ist ein Parallelkondensator zum Drehko einzufügen.
Der Nachteil der niedrigen ZF kann mit mehreren Vorkreisen und / oder Sperrkreisen ausgeglichen werden.

Der Träger wird diesmal eingefangen und gesondert verstärkt, indem der Quarz in den Rückkopplungs-Pfad eingefügt wird. Das hat zur Folge, daß sich die Rückkopplung des Audions praktisch nur auf den Träger beschränkt. Für das Seitenband arbeitet das Audion ohne Rückkopplung mit entsprechend geringerer Empfindlichkeit und größerer Breitbandigkeit. Die resultierende Durchlaßkurve des Audions ist stark invers zum Spektrum. Vorteilhaft ist, daß mit der Stärke der Rückkopplung sich der resultierende Modulationsgrad einstellen läßt, so daß die Audion-Demodulationsverzerrungen nach Belieben verringert werden können.

Der Abstimmknopf vom Eingangskreis des Volksempfängers wird nicht völlig entbehrlich, sondern kann als Tonblende dienen, denn je nach Lage der Durchlaßkurve werden Tiefen, Mitten oder Höhen bevorzugt.

Die Beispielschaltung ist ein Schwenkspulen-Audion. Das Prinzip gilt jedoch für alle Rückkopplungs-Arten.

Gruß
Herrmann

PS: Um den Quarz vor Beaufschlagung mit der Anodenspannung zu schützen, ist im Beispielschaltplan noch ein Koppelkondensator und ein Ladewiderstand einzufügen!



Zuletzt bearbeitet am 08.01.16 20:50

Datei-Anhänge
SSB-Audion.png SSB-Audion.png (296x)

Mime-Type: image/png, 8 kB

09.01.16 07:05
wumpus 

Administrator

09.01.16 07:05
wumpus 

Administrator

Re: So stelle ich mir einen modernisierten analogen LW-MW-Rundfunk vor

Hallo zusammen,

vom Prinzip her kann jeder Rückkopplungs-Geradeaus-Audion-Empfänger halbwegs gut SSB dekodieren. Ist nur ein wenig Einstell-Gefummle.



Gruß von Haus zu Haus
Rainer (Forumbetreiber)

"Vom Mund zum Ohr auf dem Strahle der elektrischen Kraft!"
Als MP3-Datei: http://www.welt-der-alten-radios.de/files/auf-dem-strahl.mp3

09.01.16 09:42
Herrmann 

500 und mehr Punkte

09.01.16 09:42
Herrmann 

500 und mehr Punkte

Re: So stelle ich mir einen modernisierten analogen LW-MW-Rundfunk vor

Hallo Rainer,

Du meinst den Oszillator-Betrieb des Audions beim Empfang von SSB völlig ohne Träger. Der Bedienkomfort und das Prinzip gleicht meiner ersten Lösung hier ganz oben, hat aber zusätzlich den Nachteil der HF-Abstrahlung über die Antenne. Da es nie gelingt, den Oszillator immer Hz-genau zu halten, ist die Tonqualität stets bescheiden und reicht nur für Sprachverständlichkeit.

Im Gegensatz dazu arbeitet das Audion meiner Kleinsuper-Lösung ganz normal im unterkritischen Bereich. Die Rückkopplung ist stark selektiv und muß - typisch für ein ZF-Audion - nicht zwingend ständig nachjustiert werden. Bei der Senderabstimmung braucht nur der Abstimmknopf des Eingangsteils (ECH11) betätigt zu werden. Der Anwender ist gezwungen, recht genau abzustimmen, so daß der schwache Träger auf einer ZF von 100kHz +/- 100Hz zu liegen kommt, also im Durchlaßbereich des Quarzes. Anderenfalls ist nur ein stark verzerrter Klangbrei zu hören.

Gruß
Herrmann

09.01.16 10:25
WalterBar 

500 und mehr Punkte

09.01.16 10:25
WalterBar 

500 und mehr Punkte

Re: So stelle ich mir einen modernisierten analogen LW-MW-Rundfunk vor

Hallo zusammen,

in dem Zusammenhang sollte an das Homodyne Prinzip erinnert werden. Mit meinem Heinzelmann funktioniert das gut. Innerhalb eines Bereichs von 4Hz stimmt sich der Empfänger unter eingesetzten Rückkopplungsbedingungen selbsttätig nach. Problem ist nur, Eingangssignal und Rückkopplungsspannung muss in einem bestimmten Verhältnis stehen und der Träger darf nicht oder nur unwesentlich abgesenkt werden. Eine Technik mehr für stabilen Bodenwellenempfang, den wir nicht oder bald nicht mehr haben werden.
Unter Homodyne Bedingungen wird ausserdem das gesamte gesendete Audiospektrum demoduliert und dennoch ist die Selektivität zu Nachbarkanälen gut. Ein Kuriosum und mathematisch sehr schwer zu beschreiben.

Gruss
Walter

09.01.16 10:34
wumpus 

Administrator

09.01.16 10:34
wumpus 

Administrator

Re: So stelle ich mir einen modernisierten analogen LW-MW-Rundfunk vor

Hallo Walter,

ist wohl ein Direktmischer?

Homodyne:
http://www.welt-der-alten-radios.de/a--g-dyne-33.html



Gruß von Haus zu Haus
Rainer (Forumbetreiber)

"Vom Mund zum Ohr auf dem Strahle der elektrischen Kraft!"
Als MP3-Datei: http://www.welt-der-alten-radios.de/files/auf-dem-strahl.mp3

09.01.16 10:39
WalterBar 

500 und mehr Punkte

09.01.16 10:39
WalterBar 

500 und mehr Punkte

Re: So stelle ich mir einen modernisierten analogen LW-MW-Rundfunk vor

wumpus:
Hallo Walter,

ist wohl ein Direktmischer?

Homodyne:
http://www.welt-der-alten-radios.de/a--g-dyne-33.html



Gruß von Haus zu Haus
Rainer (Forumbetreiber)

"Vom Mund zum Ohr auf dem Strahle der elektrischen Kraft!"
Als MP3-Datei: http://www.welt-der-alten-radios.de/files/auf-dem-strahl.mp3

Ja, kann man so auch sehen, Empfehle trotzdem den Begriff zu gurgeln, auch im RM

Zuletzt bearbeitet am 09.01.16 10:39

 1
 1
Stereo-Differenzsignal   Rückkopplungsspannung   Audion-Demodulationsverzerrungen   Regelspannungs-Demodulator   Gesamt-Sendeleistung   Sprachverständlichkeit   Rückkopplungs-Geradeaus-Audion-Empfänger   Rückkopplungs-Arten   erfolgversprechensten   Abwärtskompatibilität   Rückkopplungsbedingungen   Anodenbasis-Eingangsstufe   Informationsschleife   Einfachst-Empfängerschaltung   Parallelkondensator   Schwenkspulen-Audion   welt-der-alten-radios   LW-MW-Rundfunk   Rückwärtskompatiblität   modernisierten