| Passwort vergessen?
Sie sind nicht angemeldet. |  Anmelden

Sprache auswählen:

Wumpus Gollum Forum von
Wumpus Welt der (alten) Radios
Sie sind nicht angemeldet.
 Anmelden

Schaltbild lesen. "Geständnis"
  •  
 1
 1
13.04.23 11:35
wumpus 

Administrator

13.04.23 11:35
wumpus 

Administrator

Schaltbild lesen. "Geständnis"

Hallo zusammen,

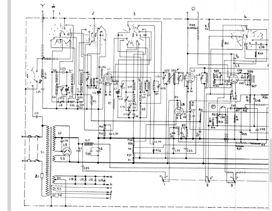
ein Geständnis: Beim Lesen und Erfassen von Schaltbildern bleibe ich immer wieder an der Erkennbarkeit von Wellenschaltern mit seinen oft diversen Schalterstellungen "kleben". Zum Kuckuck, wie haben die das gemeint? Gerade wieder ist mir das beim Betrachten des Lange-Schaltbildes zum Philips Merkur BD493A so gegangen.

Hier werden die beiden Wellenschalter-Ebenen auch als Rotations-Struktur gezeigt. Wo fängt der 4-Stufen Drehweg an, ist schon die (für mich) erste Unklarheit. Oft sitze ich Minuten davor und muss mir mühselig die Schaltoptionen erarbeiten. Das ist nur bei den Rotor-Systemen so.

Ist das ein Persönlichkeitsdefekt nur bei mir oder kennen Andere das auch?

Hier das Schaltbild zum Quälen :



Grüße von Haus zu Haus
Rainer, DC7BJ (Forumbetreiber)

Welt der alten Radios:
http://www.welt-der-alten-radios.de

Wumpus-Gollum-Forum:
http://www.wumpus-gollum-forum.de/forum

Virtuelle Voxhaus-Gedenktafel:
http://www.voxhaus-gedenktafel.de

Wumpus bei youtube:
https://www.youtube.com/user/MyWumpus

Datei-Anhänge
merkur-bd493a-schalt.jpg merkur-bd493a-schalt.jpg (190x)

Mime-Type: image/jpeg, 245 kB

WoHo, regency und Martin.M gefällt der Beitrag.
!
!!! Fotos, Grafiken nur über die Upload-Option des Forums, KEINE FREMD-LINKS auf externe Fotos.    

!!! Keine Komplett-Schaltbilder, keine Fotos, keine Grafiken, auf denen Urheberrechte Anderer (auch WEB-Seiten oder Foren) liegen!
Solche Uploads werden wegen der Rechtslage kommentarlos gelöscht!

Keine Fotos, auf denen Personen erkennbar sind, ohne deren schriftliche Zustimmung.

Den Beitrag-Betreff bei Antworten auf Threads nicht verändern!
13.04.23 12:25
WoHo 

500 und mehr Punkte

13.04.23 12:25
WoHo 

500 und mehr Punkte

Re: Schaltbild lesen. "Geständnis"

Zitieren:
Ist das ein Persönlichkeitsdefekt nur bei mir oder kennen Andere das auch?

Nein Rainer, das ist kein Unvermögen deinerseits !

Mir geht das genau so, mit der Darstellungsart bei Philips !!
Ich kann mir wohl vorstellen, dass (nur) die Servicetechniker in den Philips-Werkstätten sich daran gewöhnt haben....

Hier ein weiteres Beispiel vom 890A:



Gruß aus NL, Wolfgang

Datei-Anhänge
890a.png 890a.png (183x)

Mime-Type: image/png, 389 kB

13.04.23 13:08
HB9 

500 und mehr Punkte

13.04.23 13:08
HB9 

500 und mehr Punkte

Re: Schaltbild lesen. "Geständnis"

Hallo zusammen,

ich kenne das Problem ebenfalls, und zwar auch von einem Philips, dem BF634. Glücklicherweise habe ich von dem das ganze Service-Manual (zwar französisch, aber immerhin), und da sind die relevanten Teilschaltungen für die verschiedenen Wellenbereiche einzeln mit den korrekten Schalterstellungen gezeichnet, so dass man damit den Schaltplan 'dekodieren' kann. Über den Sinn dieser Darstellung, die weder logisch noch übersichtlich ist, kann man streiten...
Andere Hersteller zeigen, dass es auch anders geht: Beim Albis und den alten Biennophone (und noch weiteren Marken) sind im Schaltplan die einzelnen Schalter dort gezeichnet, wo sie hingehören, und dann gibt es noch eine Tabelle, wo drinsteht, welche Schalter bei welcher Stellung des Wellenschalters geschlossen sind.

Gruss HB9

13.04.23 14:42
wumpus 

Administrator

13.04.23 14:42
wumpus 

Administrator

Re: Schaltbild lesen. "Geständnis"

Hallo zusammen,

fein, das tut gut. Mir liegen die Schaltbilder mehr mit den Matrix-Tabellen. Das ist auch viel übersichtlicher.



Allerdings sind hier auch schon leichte Komplikationen zu sehen: arabische und römische Zahlen, aber geht noch ganz gut.






Grüße von Haus zu Haus
Rainer, DC7BJ (Forumbetreiber)

Welt der alten Radios:
http://www.welt-der-alten-radios.de

Wumpus-Gollum-Forum:
http://www.wumpus-gollum-forum.de/forum

Virtuelle Voxhaus-Gedenktafel:
http://www.voxhaus-gedenktafel.de

Wumpus bei youtube:
https://www.youtube.com/user/MyWumpus

Zuletzt bearbeitet am 13.04.23 14:45

Datei-Anhänge
sh511gw-schalt.jpg sh511gw-schalt.jpg (168x)

Mime-Type: image/jpeg, 253 kB

15.04.23 11:06
joeberesf 

500 und mehr Punkte

15.04.23 11:06
joeberesf 

500 und mehr Punkte

Re: Schaltbild lesen. "Geständnis"

Hallo zusammen,

eine weitere Variante ist es auf das Einzeichnen der Schalterkontakte im Stromlaufplan zu verzichten und diese in einer Matrix vorzugeben. Wichtig hierbei ist es die Grundstellung und die Schaltrichtung anzugeben. Diese Variante finde ich sehr übersichtlich.
VG
Jörg

Auszug Grundig 3097

Datei-Anhänge
Grundig Schalterstellungen 3097.png Grundig Schalterstellungen 3097.png (180x)

Mime-Type: image/png, 162 kB

16.04.23 10:50
regency 

500 und mehr Punkte

16.04.23 10:50
regency 

500 und mehr Punkte

Re: Schaltbild lesen. "Geständnis"

Hallo zusammen, die Wellenschalter-Darstellungen sind für mich ein Graus. Die Matrix Variante finde ich auch deutlich besser.

Ich habe zudem Probleme beim schnellen Erfassen von alten Schaltplänen, weil Leitungen mit positivem Potenzial optisch unter der Masseleitung verlaufen.

Viele Grüße, Jan (regency)

 1
 1
Wellenschalter-Darstellungen   Schalterkontakte   Lange-Schaltbildes   welt-der-alten-radios   Teilschaltungen   Matrix-Tabellen   übersichtlicher   Schaltbild   Wellenschalter-Ebenen   Rotations-Struktur   übersichtlich   Wumpus-Gollum-Forum   Philips-Werkstätten   Servicetechniker   Schalterstellungen   Persönlichkeitsdefekt   Wellenschalters   Geständnis   Voxhaus-Gedenktafel   Glücklicherweise