| Passwort vergessen?
Sie sind nicht angemeldet. |  Anmelden

Sprache auswählen:

Wumpus Gollum Forum von
Wumpus Welt der (alten) Radios
Sie sind nicht angemeldet.
 Anmelden

Frage zu Abgriff Schirmgitterspannung am Ausgangsübertrager bzw. Ausgangsübertragerdefekt
  •  
 1
 1
25.02.14 17:54
Dingeldong 

100-249 Punkte

25.02.14 17:54
Dingeldong 

100-249 Punkte

Frage zu Abgriff Schirmgitterspannung am Ausgangsübertrager bzw. Ausgangsübertragerdefekt

Hallo!
Ich hab als Fachfremder eine Verständnisfrage, die mir die Forumsmitglieder sicher beantworten können:

Das Forenmitglied IRODIN hat in seinem Beitrag "Philips Merkur kaputtrepariert :(" ein Problem mit seinem Ausgangsübetrager geschildert, mit dem ich auch bei meiner Reparatur einer LOEWE KANTATE konfrontiert war.

Was mich aufmerksam gemacht hat, ist das offensichtlich sehr ähnliche Schaltungskonzept, eine geglättete Gleichspannung über eine Anzapfung mit i.a. vergleichweise geringer Wicklungszahl zum Rest der angezapften Spule in den Übertrager eingangsseitig einzuspeisen, und diese dann über einen Widerstand in Reihe und einem im Bezug zur Gesamtschaltung des Gerätes hochkapazitiven Kondensator (ELKO) gegen Masse als Gitterspannung (zumindest der Endstufe) zu nutzen.


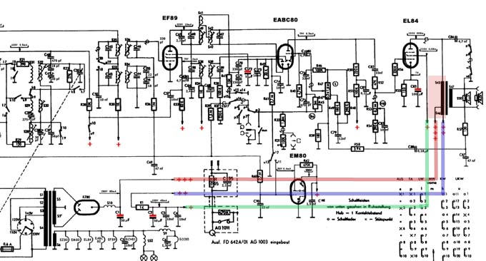
Die Situation beim PHILIPS MERKUR





Hier die LOEWE OPTA KANTATE 6735w



Aus meiner Sicht eine Achillesferse bei diesem Schaltungsprinzip ist (wie bei dem Defekt an meiner KANTATE), dass, wenn besagter, hinter der Spule liegender Kondensator -als ELKO mürbe geworden- Masseschluß aufweist, hier dann doch respektable Ströme durch die filigrane Übertragerspule fließen, was sie zwischen Abgriff und Ausgang zerstört. Überschlagsweise können bei meiner KANTATE theorteisch so bis zu 70W durch haardünne Drähte fließen -Effekt wohl einleuchtend.


Hier als Beispiel dafür der Schaden bei der KANTATE, den ich beheben musste.



Das alles können wir natürlich nicht ändern, sondern müssen uns reparaturbedingt wohl mit den Folgen auseinandersetzen. Dass passende Übertrager nicht zu bekommen sind, ist klar. Wenn man nicht, so wie ich das Glück hat und der Übertrager reparabel ist, bedeutet das wohl den Tod des Gerätes.

Deswegen meine Frage:

Könnte man den i.a. noch intakten Teil zwischen Anodenanschluss und Anzapfung der Eingans-AÜ-Wicklung nutzen, indem man an der Anzapfung über Widerstand/Kondensator identischer Werte das nachbaut unter Auslassen der defekten Wicklung und hier wieder die Spannung anlegt und an der Verbindung von Widerstand und Kondensator die Gitterspannung wegführt? Damit könnte man dann die Ankoppelung eines Lautsprechers an die Endstufe wieder bewerkstelligen (zwar nicht zu 100% exakten Vorgaben, doch wären da bei mir nur minimale Anteile an der Gesamtwicklungszahlen verloren, die wahrscheinlich ohne nennenswerten Einfluß wären)
Oder fehlt damit zu viel an der Primärwicklung des Übertragers, so dass der Lautsprecher nicht mehr vernünftig angesteuert wird?

Wie könnte man dann andereseits den defekten Anteil möglichst gut ersetzen?
Hier sehe ich schaltungstechnisch bei einer Gleichspannung nur eine Spule in Reihe mit einem Widerstand an dem dann ein ELKO gegen Masse liegt. Das sieht für mich aber wie ein RC-Tiefpass aus, bei dem R aus dem Widerstand und dem DC-Spulenwiderstand besteht (Gleichpannung liegt an). Oder gilt es hier, irgendwelche Wechselpannungsanteile über die Iduktivität der Spule als Hochpass herauszufiltern und das alles stellt einen Bandpass (Störfilter??) dar??

Wäre es also möglich, wenn man eine derartige Spule nicht emulieren/ersetzen kann, den Widertsandswert etwas zu erhöhen und einen gleichkapazitiven Kondensator gegen Masse einzusetzen? Zwar wären frequenzabhängige (Filter?)Effekte der ursprünglichen Spule nun weggefallen aber grundsätzlich die dort generierte Spannung zur Schaltungsversorgung wieder gegeben. Damit wären die Chancen gut, ein entspr. Defektes Gerät wieder zum Laufen zu bekommen und es nicht wegen so eines Minimalschadens ausmustern zu müssen.

Ginge das, was ich vorschlage oder wo liegt mein Denkfehler?

Dieses Schaltungsprinzip (Gitter über Anzapfung am AÜ) scheint verbreitet gewesen. Wie heißt das? Normal schien damals wohl eher, was ich bisher an Schaltbildern sah, das Anlegen der Gitterspannung am Ende der Übertragerprimäwicklung und nicht über eine Anzapfung wohl in Nähe ihrer Endung.

Danke schon mal für das Interesse. Bin gespannt auf die Antworten, da ich gerne was dazulernen würde.

Datei-Anhänge
kantateGitterheizkreis1fo.jpg kantateGitterheizkreis1fo.jpg (517x)

Mime-Type: image/jpeg, 157 kB

Phillips Merkur.jpg Phillips Merkur.jpg (488x)

Mime-Type: image/jpeg, 93 kB

kantateSpulendefektFo.jpg kantateSpulendefektFo.jpg (826x)

Mime-Type: image/jpeg, 91 kB

Noch gefällt der Beitrag keinem Nutzer.
!
!!! Fotos, Grafiken nur über die Upload-Option des Forums, KEINE FREMD-LINKS auf externe Fotos.    

!!! Keine Komplett-Schaltbilder, keine Fotos, keine Grafiken, auf denen Urheberrechte Anderer (auch WEB-Seiten oder Foren) liegen!
Solche Uploads werden wegen der Rechtslage kommentarlos gelöscht!

Keine Fotos, auf denen Personen erkennbar sind, ohne deren schriftliche Zustimmung.

Den Beitrag-Betreff bei Antworten auf Threads nicht verändern!
25.02.14 18:56
roehrenfreak

nicht registriert

25.02.14 18:56
roehrenfreak

nicht registriert

Re: Frage zu Abgriff Schirmgitterspannung am Ausgangsübertrager bzw. Ausgangsübertragerdefekt

Hallo zusammen,

dieser "Schaltungskniff" stellt eine Brummkompensation dar. Rechnereisch heben sich dabei die von Netzteil und Endstufe kommenden Brummspannungsanteile im Ausgangsübertrager durch die Erzeugung gegenphasiger Magnetfelder auf. Berücksichtigt ist sogar der Brummspannungsanteil, der dem NF-Signal im Anodenzweig der NF-Vorstufe überlagert ist. Alles in Allem also eine relativ komplexe mathematische Betrachtung.

25.02.14 20:45
qw123 

500 und mehr Punkte

25.02.14 20:45
qw123 

500 und mehr Punkte

Re: Frage zu Abgriff Schirmgitterspannung am Ausgangsübertrager bzw. Ausgangsübertragerdefekt

Hallo zusammen,

roehrenfreak:
dieser "Schaltungskniff" stellt eine Brummkompensation dar.
das ist absolut richtig.

Der Teil der Primärwicklung, der in Reihe mit dem Siebwiderstand und zwischen den Plus-Anschlüssen von Lade- und Siebelko liegt, trägt wg. seiner normalerweise geringen Induktivität höchstens schwach zur Brummsiebung bei. Der größte Teil der Siebung wird vom Serienwiderstand geleistet.

Die Wirkung dieses Wicklungsteils besteht wesentlich in der Erzeugung eines kompensierenden Magnetfeldes im AÜ, ist also eine Brummkompensation.
Ihr Beitrag zum Endröhren-Arbeitswiderstand dürfte sehr klein sein.
roehrenfreak:
Alles in Allem also eine relativ komplexe mathematische Betrachtung.
Wahrscheinlich ist es schon so, daß es kompliziert wäre, etwa die Windungszahl genau zu berechnen. Ich denke aber, daß die damaligen Entwickler das einfach empirisch gelöst haben.

Ich schätze, daß man auf diese Weise vielleicht eine Brumm-Minderung von vielleicht 10dB erreichen kann. So genau um 180° sind die Phasen der verschiedenen Brummspannungen und -ströme sicher nicht gegeneinander versetzt.
Interessant wäre es, an einem funktionierenden Übertrager nachzumessen. wie groß die Kompensationswirkung ist. Ich selber habe bisher noch keinen solchen Übertragerdefekt gehabt bzw. repariert, wo die Brummkompensations-Wicklung durchgebrannt war.

Damit kommt man auch der Frage näher, ob sich im Falle eines defekten Wicklungsteils die Wirkung etwa durch verbesserte Siebung ersetzen läßt.
Eine um 10dB stärkere Brummsiebung läßt sich natürlich leicht z.B. durch Vergrößerung von Lade- und Siebkapazität erreichen. Bei einer Vergrößerung der Siebkapazität sehe ich keine größeren Probleme. Die Ladekapazität dagegen kann man nicht einfach beliebig vergrößern. Jedenfalls nicht wenn die Gleichrichtung durch eine Gleichrichterröhre erfolgt. Hier ist der zulässige Maximalwert der Ladekapazität in der Regel im Datenblatt angegeben. Ähnlich dürfte es bei Selengleichrichtern aussehen. Auch hier ist es sicher nötig, einen maximalen Stoßstrom nicht zu überschreiten. Sofern kein Datenblatt vorliegt, wäre es wohl am besten, sich an die Werte von äquivalenten Gleichrichterröhren zu halten.

Si-Brücken sind in dieser Hinsicht normalerweise unkritisch. Eine normale 2N4007-Diode verträgt z.B. Stoßströme von 50A. Derart hohe Ströme werden schon durch den Widerstand der Sekundärwicklung verhindert.

Praktisches Vorgehen bei defekter Kompensationswicklung also:
Kurzschließen der Wicklung. Falls das zu störend erhöhtem Brumm führt: Vergrößern von Lade- und Siebkapazität innerhalb der zulässigen Grenzen. Eine Schwierigkeit ergibt sich, wenn im Gerät ein Doppelkondensator verwendet wird. In diesem Fall sollte gegebenenfalls ein zusätzlicher Widerstand vor dem Ladekondensator den Stoßstrom begrenzen. Da der ohmsche Widerstand des durchgebrannten Wicklungsteils gering ist, werden durch den Kurzschluß auch die Betriebsspannungen praktisch nicht verändert.

Etwas anders sieht die Situation aus, wenn wie in einem anderen hier diskutiertem Fall, durch das Durchbrennen ein Masseschluß entstanden ist. Der müßte natürlich erst beseitigt werden.

Gruß

Heinz


P.S.
Am AÜ wird keine Gitterspannung abgegriffen. Höchstens eine Schirmgitterspannung. Es ist gesundheitsgefährdend, diese beiden Dinge zu verwechseln. Gitterspannung: -2...-10V, Schirmgitterspannung: +200...+300V. . . :-)

26.02.14 10:00
Dingeldong 

100-249 Punkte

26.02.14 10:00
Dingeldong 

100-249 Punkte

Re: Frage zu Abgriff Schirmgitterspannung am Ausgangsübertrager bzw. Ausgangsübertragerdefekt

Hallo euch beiden und danke für die perfekten Erklärungen und Ausführungen.

Dann wird da also die Schirmgitterspannung abgegriffen. Habe mir nun noch mal genauer die Schaltpiktogramme solcher "Omnitoden" angesehen und stimmt: Das ist das Schirmgitter (hatte ich für mich im Kopf falsch auf die Schnelle den Angaben zu einer Triode zugeordnet).
Gefahr war aber in dem Sinne hier nicht gegeben, da ja bei meiner KANTATE 276 V in dem betr. Kreis angegeb. sind, an denen man zum einen ausnahmslos nicht mit dem Ziegefinger rumfummeln sollte und die zum anderen zur einwandfreien Funktion des Gerätes korrekt bereitgestellt werden müssen, egal, wofür das nun bestimmt ist.

Es handelt sich also doch um das vermutete Filter. Wie die Schaltung aussieht also ein BUTTERWORTH (mit wohl üblichen 12dB/Oktave). Zum Abschätzen des Filtercharakteristik müsste man noch mal die Iduktivität ausmessen und entspr. ausrechnen. Allerding ist das hier ein klassischer Tiefpass (nicht, wie ich falsch oben schrieb Hochpass - schmeiße ich immer durcheinander), der bei derartigen Kapazitäten irgendwo spätestens bei wenigen hundert Hz dichtmachen sollte. Warum dann aber keinen Hochpass oder Bandpass??? Zielt das dann also weniger zum Blocken gegen Netzbrumm als vielmehr gegen HF-Signale ab?

Unabhängig nun vom tieferen Schaltungssinn sollte sich das aber im Sinne eines möglichst exakten Erhaltes/Wiederherstellung der Geräteeigenschaften ersatzweise aufbauen lassen. Induktivitäten, die sich bauteilewertmäßig im vermuteten Bereich bewegen, könnten Luftspulen aus dem Baubedarf passiver Laustsprecherfrequenzweichen darstellen. Ob da die Isolationsschichten bei den Spannungen durchschlagen könnten? Andererseits wird zu ihrer Herstellung i.a. Standardmaterial isolierter Drähte herangezogen, die ja i.a. eher für Einsatzzwecke in Trafos, Netzdrosseln o.ä. bei höheren Spannungen, als dort üblich, produziert und ausgelegt werden. Versuchen könnte man es ja mal, wenn man aus Sicherheitsgründen auf gründliche Isolation der Spule achtet. Was soll dann viel passieren außer dem Verlust der Filterwirkung?

Das heißt also:
Als einfachste Lösung Leitung am toten AÜ-Ende ab- und an der Anzapfung anlöten. Will man es möglichst korrekt machen, Spule mit möglicht identischen Daten zum defekten Spulenteil in diese Leitung einsetzen, wobei der DC-Widerstandswert wohl weniger wichtig, als deren Induktivitätswert wäre.

Schließt der AÜ in dem Wicklungsabschnitt irgendwo kurz gegen Masse resp. sein Gehäuse/Äußeres, wäre es dann nicht möglich, den mit stillgelegtem, defekten Primärspulenende und enstpr. Ersatzschaltung gründlich isoliert einzubauen und so weiterzunutzen? Man könnte ja ein Berührschutz aus nichtleitendem Material darüberlegen bzw. deutlich mit entsprechendem Warnhinweisen beschriften, was ja in Geräten bei vergleichbaren Baugruppen/Schaltungen durchaus auch so üblich ist.

Hinsichtlich Erhöhung der Siebelkokapazität sollten auch die alten Gleichrichter entspr. was aushalten können, was weit über den verbauten Kapazitäten liegt (die damals begrenzt waren, weil wesentlich teurer, als heute). Baut man für wenige Cent aber einen aktuellen GLR ein, so sind Siebkapazitäten bis in den 6 stelligen uF-Breich, wie im aktuellen Verstärkerbau für Netzteile durchaus üblich, machbar, was bei den für unsere älteren Röhrengeräte üblich höheren Spannungen aber noch bis in den 5 stelligen Bereich genügen sollte. Da stellt sich dann nicht mehr die Frage, ob 50uF oder 100uF sondern eher, ob 1000uF oder lieber gleich 2000uF (was aber eh ein Quatsch wäre). Auch könnte man ja hier einen moderaten Strombegrenzer einsetzen.
Ich mache mir da aber keinen Kopf und setze Elkos in originaler Kapazität ein, wobei ein paar uF hin oder her egal sind.
Anders natürlich bei GLR-Röhren, wie schon korrekt o.a.. Moderate Siebkapazitäten verlängern fraglos deren Leben. Da empfiehlt es sich dringend, die Schaltungsangaben einzuhalten.


P.S. Bitte an den Admin.
Threadüberschrift entspr. von Gitter- auf Schirmgitterspannung korrigieren, damit dies bei ggf. späterer Suche im Archiv mal wiedergefunden werden kann. Wir werden wohl damit nicht alleine sein/bleiben.
Danke!!

 1
 1
Schaltungsversorgung   Übertragerprimäwicklung   Selengleichrichtern   Isolationsschichten   Wechselpannungsanteile   Kompensationswirkung   Brummkompensations-Wicklung   Ausgangsübertrager   Endröhren-Arbeitswiderstand   Filtercharakteristik   schaltungstechnisch   Kompensationswicklung   Brummspannungsanteile   Gesamtwicklungszahlen   Brummspannungsanteil   Schirmgitterspannung   Ausgangsübertragerdefekt   DC-Spulenwiderstand   gesundheitsgefährdend   Laustsprecherfrequenzweichen