| Passwort vergessen?
Sie sind nicht angemeldet. |  Anmelden

Sprache auswählen:

Wumpus Gollum Forum von
Wumpus Welt der (alten) Radios
Sie sind nicht angemeldet.
 Anmelden

Allstromgeräte und evtl. in Verbindung mit einem Spartrafo
  •  
 1 2
 1 2
21.06.09 21:04
YadBo 

0-49 Punkte

21.06.09 21:04
YadBo 

0-49 Punkte

Re: Allstromgeräte und evtl. in Verbindung mit einem Spartrafo

Hallo Leute,

nach Studiums der Diskussion habe ich folgende Frage:

Meine 3 Volksempänger ( Dke, Ve301, Ve301dyn) sind alle Allstromgeräte. Bis auf Dke können die auch 240V vertragen. Das sollte doch der Funktion nicht schaden oder?

Andererseits habe ich mir gedacht einfach einen Adaptertrafo 230-110/100W (eigentlich für usa Geräte) zu nutzen und alle Geräte mit 110V zu betreiben.

Da hätte ich doch gleichzeitig die Funktion des Trenntrafos oder?

Immer erst an die eigene Nase fassen, wenn´s nicht klappt!

Danke

!
!!! Fotos, Grafiken nur über die Upload-Option des Forums, KEINE FREMD-LINKS auf externe Fotos.    

!!! Keine Komplett-Schaltbilder, keine Fotos, keine Grafiken, auf denen Urheberrechte Anderer (auch WEB-Seiten oder Foren) liegen!
Solche Uploads werden wegen der Rechtslage kommentarlos gelöscht!

Keine Fotos, auf denen Personen erkennbar sind, ohne deren schriftliche Zustimmung.

Den Beitrag-Betreff bei Antworten auf Threads nicht verändern!
21.06.09 22:15
roehrenfreak

nicht registriert

21.06.09 22:15
roehrenfreak

nicht registriert

Re: Allstromgeräte und evtl. in Verbindung mit einem Spartrafo

Hallo YadBo,

Ohohoh - Vorsicht! Diese Adaptertrafos sind in der Regel - wie oben schon beschrieben - keine Trenntrafos sondern Spartrafos! Bei denen liegt das Netzpotential auch an der Ausgangsseite! Mit einem einfachen Ohmmeter lässt sich dies feststellen: Wird es zwischen Eingang und Ausgang verbunden und schlägt im niedrigen Ohm-Bereich quasi voll aus handelt es sich um einen solchen Spartrafo.

Freundliche Grüsse,
Jürgen rf

Noli turbare circulos meos (Störe meine KREISE nicht! - Archimedes)

22.06.09 00:29
Wolle 

500 und mehr Punkte

22.06.09 00:29
Wolle 

500 und mehr Punkte

Re: Allstromgeräte und evtl. in Verbindung mit einem Spartrafo

Hallo YadBo.

Ergänzend zu Jürgens Ausführungen noch ein Hinweis. Bei einer Versorgungsspannung von 110 Volt geht die Leistung dieser Geräte stark zurück. Deshalb ist ein Betrieb an 230 Volt die bessere Lösung.

Viele Grüße.
Wolle

22.06.09 07:05
wumpus 

Administrator

22.06.09 07:05
wumpus 

Administrator

Re: Allstromgeräte und evtl. in Verbindung mit einem Spartrafo

Hallo zusammen,
ich will mich dem Hinweis von Wolle hinsichtlich des Leistungsabfalls anschliessen:
http://www.oldradioworld.de/hints-reparaturen.htm#140


Mit freundlichen Grüssen Rainer (Forum-Admin)

Möge die Welle mit uns sein.

22.06.09 15:29
YadBo 

0-49 Punkte

22.06.09 15:29
YadBo 

0-49 Punkte

Re: Allstromgeräte und evtl. in Verbindung mit einem Spartrafo

Hallo,
nur zum Verständniss.
Bei einem Spartrafo findet keine induktive Trennung zwischen Pr. und Sek statt.
Die Sekundärspannung wird nur abgegriffen, daher der Vollausschlag des Ohnmmeter.

Ich check das mal, Danke

Olli

Immer erst an die eigene Nase fassen, wenn´s nicht klappt!

22.06.09 16:06
roehrenfreak

nicht registriert

22.06.09 16:06
roehrenfreak

nicht registriert

Re: Allstromgeräte und evtl. in Verbindung mit einem Spartrafo

Hallo Olli,

knapp daneben ist auch vorbei Oder Du hast Dich einfach nur vertippt denn es muß richtig keine galvanische Trennung heissen. Induktiv muss es in einem Trafo jeglicher Art immer zugehen.

Freundliche Grüsse,
Jürgen rf

Noli turbare circulos meos (Störe meine KREISE nicht! - Archimedes)

25.06.09 08:01
YadBo 

0-49 Punkte

25.06.09 08:01
YadBo 

0-49 Punkte

Re: Allstromgeräte und evtl. in Verbindung mit einem Spartrafo

So,

Das intressiert mich doch, weil ich bin neugirig:

Wie sieht das denn der schaltungstechnische Unterschied zwischen Trenn-und Spartrafo aus. Hat da jemand mal ne Skizze , als Gegenüberstellung?
Danke

Immer erst an die eigene Nase fassen, wenn´s nicht klappt!

25.06.09 08:24
wumpus 

Administrator

25.06.09 08:24
wumpus 

Administrator

Re: Allstromgeräte und evtl. in Verbindung mit einem Spartrafo

Hallo YadBo,

hier das Schaltprinzip des Spartrafos:



Ergänzende Informationen:
http://www.oldradioworld.de/hints-reparaturen.htm#141


Mit freundlichen Grüssen Rainer (Forum-Admin)

Möge die Welle mit uns sein.



Zuletzt bearbeitet am 23.09.09 08:42

Datei-Anhänge
spartrafo2.jpg spartrafo2.jpg (610x)

Mime-Type: image/jpeg, 24 kB

25.06.09 08:31
Wolle 

500 und mehr Punkte

25.06.09 08:31
Wolle 

500 und mehr Punkte

Re: Allstromgeräte und evtl. in Verbindung mit einem Spartrafo

Hallo YadBo.

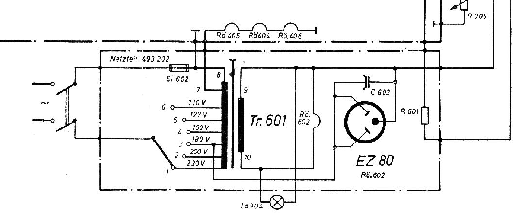
Nach dem Prinzip 2 in 1 die Darstellung beider Varianten in einer Schaltung. Die Heizung der Röhre EZ80 wird mit einer getrennten Wicklung versorgt (Sekundär). Es besteht keine leitende Verbindung zur Primärwicklung. Das entspricht dem Prinzip des Trenntrafos.
Die Primärwicklung hat mehrere Anzapfungen. Aus einer Anzapfung heraus wird die Anode der EZ80 mit Spannung versorgt. Es besteht eine direkte Verbindung mit dem Stromnetz. Hier haben wir das Prinzip des Spartrafos.
Alles klar?

Mit vielen Grüßen.
Wolle

Datei-Anhänge
bba3.jpg bba3.jpg (374x)

Mime-Type: image/pjpeg, 59 kB

 1 2
 1 2
Wechselstromausführung   Spartrafo   permanentdynamischen   Mögel-Dellinger-Effekt   Allstromgeräten   Sicherheitswarnungen   Wechselstromgeräten   Sicherheits-Sorgfalt   Gleichspannungsnetze   schaltungstechnische   gebetsmühlenartige   Verbindung   sicherheitstechnisch   Befestigungsschrauben   spannungsführender   Allstromausführung   Allstromgeräte   Tonabnehmeranschluß   Sammlungs-Allstromgeräte   Schallplattenspieler