| Passwort vergessen?
Sie sind nicht angemeldet. |  Anmelden

Sprache auswählen:

Wumpus Gollum Forum von
Wumpus Welt der (alten) Radios
Sie sind nicht angemeldet.
 Anmelden

Dralowid Kombinator 1929
  •  
 1
 1
24.12.17 18:23
reinhard 

500 und mehr Punkte

24.12.17 18:23
reinhard 

500 und mehr Punkte

Dralowid Kombinator 1929

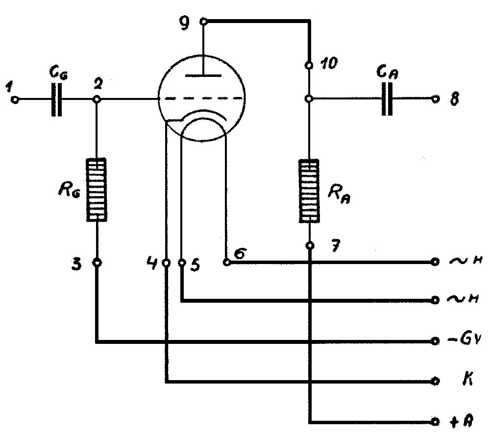
Es gab in den 1920er Jahren von den Herstellern nicht nur Einzelteile, wie z.B. Widerstände, Kondensatoren und Röhren, zum Bau von Radios und anderen Geräten, sondern auch vorgefertigte Baugruppen. So auch der Kombinator von Dralowid.

Modell: Kombinator Type 1 / 2 / 3
Herstellungsjahr: 1929

Beschreibung
Das Innere des Preßstoffkästchens enthält in Verbindung mit einer in die Oberfläche eingepreßten fünfpoligen Röhrenfassung eine Anzahl von Dralowid-Widerständen und Dralowid-Mikafarad-Kondensatoren, die so vorverdrahtet sind, daß sich der Kombinator universell verwenden ließ. Die Basis hierfür ist immer die R/C-Kombination (Widerstands- Kapazitäts-Kombination), die selbst unter schwierigsten Bedingungen einwandfreie und unverzerrte Wiedergabe gewährleistete. Mit dem Kombinator ließ sich jede erdenkliche Röhrenschaltung aufbauen, sei es als Audion, als einfache Kaskaden- oder Gegentaktverstärker-Schaltung oder als transformatorlosen Kraftverstärker mit 10 Watt Ausgangsleistung. Auch für Kurzwellensender oder Superhetschaltungen, für Schirmgitterröhren-Empfänger, Negadyn-Überlagerer oder Meßgeräte wie z.B. Röhrenvoltmeter ließ sich der Kombinator einsetzen.

Baugruppe: Universalschaltung für Widerstandskopplung
Gehäuse: Preßstoff
Maße: Breite 5,7 cm,
Höhe 2,2 cm,
Tiefe 10,9 cm
Bemerkung: vorbereitet und verdrahtet für Fünfpol-Stiftröhren.
Herausgeführte Anschlüsse für Versorgungsspannungen und weitere Verdrahtung

Die 1930 herausgebrachten neuen Modelle Typ 4 und 5 entsprachen, insbesondere durch den Einbau der für den Netzanschluß erforderlichen Siebwiderstände, dem Stand der Technik. Eine mittels zweier Kordelschrauben befestigte Bakelíthaube gewährte bei leichter Zugänglichkeit der Schaltelemente zuverlässigen Berührungsschutz aller spannungsführenden Teile. Die Type 6 wurde vollkommen leer und unbeschaltet gelielert und bot somit dem Bastler ein willkomrnenes Hilfsmittel, eigene Ideen zu verwirklichen.

Reinhard







Zuletzt bearbeitet am 24.12.17 18:33

Datei-Anhänge
11387gross.jpg 11387gross.jpg (515x)

Mime-Type: image/jpeg, 101 kB

11387gross.jpg 11387gross.jpg (492x)

Mime-Type: image/jpeg, 101 kB

11387_gross.jpg 11387_gross.jpg (453x)

Mime-Type: image/jpeg, 79 kB

11387sb.jpg 11387sb.jpg (480x)

Mime-Type: image/jpeg, 75 kB

wumpus und apollo gefällt der Beitrag.
!
!!! Fotos, Grafiken nur über die Upload-Option des Forums, KEINE FREMD-LINKS auf externe Fotos.    

!!! Keine Komplett-Schaltbilder, keine Fotos, keine Grafiken, auf denen Urheberrechte Anderer (auch WEB-Seiten oder Foren) liegen!
Solche Uploads werden wegen der Rechtslage kommentarlos gelöscht!

Keine Fotos, auf denen Personen erkennbar sind, ohne deren schriftliche Zustimmung.

Den Beitrag-Betreff bei Antworten auf Threads nicht verändern!
25.12.17 13:51
MB-RADIO 

500 und mehr Punkte

25.12.17 13:51
MB-RADIO 

500 und mehr Punkte

Re: Dralowid Kombinator 1929

Hallo Reinhard,

äußerst interessant. Das sind sozusagen Schaltkreise in Röhrentechnik.

Sowas habe ich bis dto noch nicht gesehen - danke für die Vorstellung.

Viele Grüße
Bernd

Zwei Dinge sind unendlich, das Universum und die menschliche Dummheit, aber bei dem Universum bin ich mir noch nicht ganz sicher. (Albert Einstein)

 1
 1
Gegentaktverstärker-Schaltung   transformatorlosen   Ausgangsleistung   Fünfpol-Stiftröhren   Röhrenvoltmeter   Preßstoffkästchens   spannungsführenden   Kombinator   Versorgungsspannungen   Negadyn-Überlagerer   Dralowid-Widerständen   Schirmgitterröhren-Empfänger   Kapazitäts-Kombination   Dralowid-Mikafarad-Kondensatoren   Superhetschaltungen   Kurzwellensender   Universalschaltung   Widerstandskopplung   Berührungsschutz   Herstellungsjahr